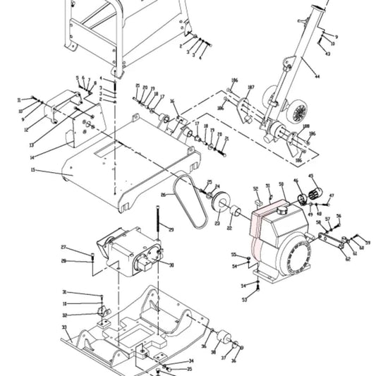
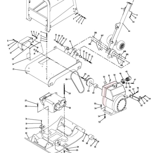
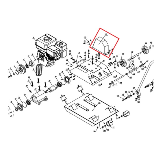
Collection: Site Prep Parts & Accessories
Looking for site prep parts & accessories that keep your compaction and ground prep tools operating at peak performance? At Concrete Tools Direct, we supply professional-grade components and replacement parts designed for rollers, plate compactors, and tamping rammers. Explore our range of vibration plates, rollers, belts, and hardware kits built to deliver reliable compaction power and long-lasting durability on every jobsite.
-
Free Shipping Available
-
Expert Support
-
Financing Options
-
Secure Checkout
-
Industry Expert
-
Free Shipping Available
-
Expert Support
-
Financing Options
-
Secure Checkout
-
Industry Expert













